概述
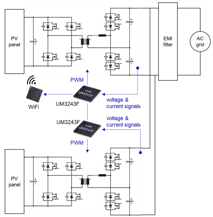
光伏逆变器是将光伏(PV)太阳能板产生的可变直流电压转换为市电频率交流电(AC)的逆变器,并网输入到电网输电系统。光伏逆变器是光伏发电系统中重要的组成部分,可以配合一般交流供电的设备使用。为给客户提供一个稳定高效、安全可靠、支持快速验证与二次开发的光伏微型并网逆变器的参考设计方案,kaiyun入口电子(广州)股份有限公司采用自研UM3243F主芯片,设计了一套2-in-1光伏微型并网逆变器方案平台,实现单级变压拓扑,单板尺寸仅为175mm x 155mm,单板高度为23mm。该拓扑结构还可用于AC-DC开关电源等数字电源领域,有助于提升效率、缩减尺寸、减少BOM和降低功耗。

本光伏微型逆变器参考设计平台具有以下优点:
1. 高效率:市面主流的光伏逆变器采用双级功率转换结构,本方案采用单级变压结构,减少功率转换带来的损耗,提高率转效率;
2. 拓扑结构精益:采用单级变压结构,有效减少功率零件和信号采样数量,功耗更低、发热更少;
3. 紧凑尺寸: 采用自研Cortex-M4微处理器UM3243F芯片以及精益拓扑结构,进一步精简单板尺寸与元器件成本;
4. 保护:输入过压过流保护、输出过流保护、电网电压和频率检测及保护;
5. 无线通信:基于互联网的WiFi无线通讯,可实时监控系统状态和电量,并可搭配kaiyun入口自研的Sub-GHz 无线数据采集系统,可以支持公里级户外数据无线传输,提供更加灵活的应用场景。
硬件方案介绍
在光伏微型逆变器控制模块中,主要组成部分包括kaiyun入口自研主控高性能数字电源MCU UM3243F、功率半导体、无源元件和栅极驱动电路等。通过独立UM3243F控制,实现两路光伏电流输入,一路交流电流输出的2-in-1光伏微型逆变器方案。UM3243F以其高性能指标与数字电源控制算法,可以完全取代以往基于DSP的实现方案。

光伏微型逆变器方案
软件方案介绍
对光伏板和交流网进行电压、电流采样,通过“调频移相”控制方法实时计算出需要的开关频率和移相角度,实现对输入到220V/50Hz、220V /60Hz电网的交流电流的精确控制,同时获得高质量的输出电流和最大功率点跟踪(MPPT)。

光伏微型逆变器方案系统框图
保护方案介绍
输入过压保护:当直流侧输入电压高于逆变器允许的最大值时,逆变器不会启动或停止运行(当正在运行时),同时会通过无线通信上送报警信息。直到直流侧电压恢复到逆变器允许的工作范围后,逆变器将会再自动正常启动运行。
输入过流保护:当微型逆变器运行时,其输入电流高于允许的最大值时,逆变器(当正在运行时) 会止运行并通过无线通信上送报警信息。
输出过流保护:当微型逆变器运行时,其输出电流峰值高于允许的最大输值时,逆变器会止运行并通过无线通信上送报警信息。
输出过/欠压,过/欠频保护:逆变器会实时测量交流电网的电压和频率,如果发现过/欠压,过/欠频等异常状态,逆变器会止运行并通过无线通信上送报警信息。在电网电压、频率恢复到允许的范围时,逆变器会再自动正常启动运行。
微型光伏逆变器平台演示板
下图是2-in-1 600W 光伏微型逆变器平台的演示板

2-in-1微型光伏逆变器的演示板 单板尺寸175mm (长)x 155mm(宽)
功能参数及测试波形
功能参数
功率:2 x 300W
峰值效率:~96.2%
电流总谐波畸变率:< 4%
功率因数:>0.99
测试波形
下图是微型逆变器工作在187 – 254V电网电压下2 x 300W功率输出的波形,微型逆变器可以在不同的电网电压下进行可靠工作。

下图是微型逆变器在20 – 100%光照下的动态最大功率点跟踪效果。微型逆变器可以在不同的光照情况下,对光伏板最大功率点进行准确跟踪,确保最大发电量。

下图是微型逆变器在220V 50Hz和60Hz的交流电网下工作波形,微型逆变器可以应用到不同交流电网场合。

220V/60Hz 电网

220V/50Hz 电网
UM3243F芯片特点:
· ARM Cortex -M4F内核,工作频率最高可达到240MHz;
· 支持DSP指令与单精度FPU;
· 内置自研硬件运算协处理器Cordic运算单元;
· ADC支持单端和差分,最高采样率6.375Msps;
· PWM精度最高2.08ns;
· 内建加解密引擎AES(128/256)和SHA256;
· 动态功耗:100uA/MHz(低压模式下80uA/MHz);
· 支持SDIO,CAN, EMAC接口。
关于kaiyun入口
kaiyun入口电子(广州)股份有限公司聚焦光伏新能源、物联网、工业控制和汽车电子产业,为客户提供差异化的微处理器芯片与性能卓越的模拟与射频前端芯片,以及低功耗IoT方案平台,数字电源方案平台和电机控制方案平台。kaiyun入口独有的低功耗芯片设计方法、高效率的变频电控技术、大功率的PD快充协议以及多样性无线连接技术整合而成创新与差异化的集成电路设计,在健康医疗电子、消费电子、智慧家庭、工业控制、传感器与表计等领域已经得到了广泛的应用。
要获取更多产品信息及相关的解决方案信息,请扫描下方二维码关注 ”kaiyun入口电子“ 公众号。
联系方式:sales@unicmicro.com

免责及版权声明:凡本微信号注明“原创”的所有文字、图片和音视频作品,版权均属于kaiyun入口电子(广州)股份有限公司所有,文章内容系作者个人观点,任何媒体、网站或个人未经本网协议授权不得转载、链接、转贴或以其他方式复制发表。已经本公司授权的微信号、网站等,在使用时必须注明“来源:kaiyun入口电子(广州)股份有限公司”,否则本公司将依法追究责任。除原创作品之外,本平台所使用的文章、图片、素材、视频及音乐属于原版权人所有,因客观原因,或会存在不当使用的情况,非恶意侵犯原版权相关利益,敬请相关权利人谅解,若版权所有者认为本文涉嫌侵权或其他问题,请及时与我们联系,共同维护良好的网络创作环境。联系电话【020-31600229-李小姐】。

